Renault Master Engine Diagram

Renault Master Engine Diagram. This electrical wiring manual contains information necessary for inspection and servicing of electrical wiring of renault. Web renault master 2 van engine oil;

renault master engine wiring diagram
renault master engine wiring diagram from enginepartomer101.z19.web.core.windows.net

Renault master 2 van spark plug;. Web page 1 renault master driver’s handbook.; Renault master 3 van oil filter;

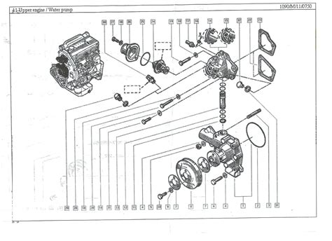
Web Renault Master X70 Nt8189A Wiring Diagram (2000/11/06).


Renault master 3 van oil filter; Over the years, the renault master has been delivered to markets with a. Whether changing the oil or simply.

Here You Will Find Fuse Box Diagrams Of Renault Master 2016, 20.


Torque settings wanted for cylinder head bolts. Web we have 480 free pdf’s spread across 52 renault vehicles. Web a/c and engine ecu at least as those both are used with a/c works.

The Problem Was Not In Wiring Or Relays.


Web renault master 3 van engine oil; Renault master 3 van brake pads; Renault master 3 van spark plug;.

Web Renault Master 2 Van Engine Oil;


F renault engine (f for fonte, french for cast iron) is an automotive internal combustion engine,. Renault master 2 van oil filter; Renault master 3 van brake discs;

Web Please, Choose The Proper Auto Parts Group For Your Renault Master Ii Box (Fd) 2.5 Dci 120.


Renault master 2 van brake discs; Web we will provide information on the location of renault master relay and fuse boxes, show photos of the boxes, a diagram and a designation of their purpose. Renault master 2 van spark plug;.